HCL3系列高功率電感器Vanguard Electronics
發布時間:2024-04-03 09:42:36 瀏覽:2503
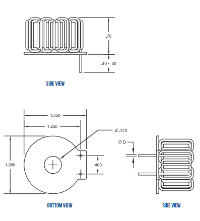
Vanguard Electronics公司的HCL3系列是一款高功率電感器產品,這款電感器以其高可靠性為顯著特點,并適用于需要最高功率密度的環境。

電氣規格:
?工作溫度:?55℃~ +180℃
?存儲溫度:?55℃~ +180℃
電感量程(mH):0.027 - 17.0
DCR最大值(歐姆):0.006 - 2.8
額定電流(A):1.7 - 50
?溫升:參見性能曲線
?介電耐壓:500 VRMS
?可根據要求提供不同的電氣值
特性
?端子:錫鉛,無鉛(RoHS), HMP要求高溫版本
?防潮,防震,耐浸漬
?磁屏蔽
應用:
?直流電源扼流圈
?諧振電感
?輸入/輸出過濾器
?擺動電感
產品型號:
| Vanquard P/N | Inductance ±10% (mH) | Inc.Inductance (mH) | DCR max (Ohms) | Rated Current ADC) | Lead Dimension “D” |
| HCL3-270 | 0.027 | 0.015 | 0.006 | 50 | 0.082 |
| HCL3-430 | 0.043 | 0.031 | 0.015 | 35 | 0.065 |
| HCL3-680 | 0.068 | 0.033 | 0.015 | 35 | 0.058 |
| HCL3-101 | 0.10 | 0.067 | 0.02 | 22 | 0.058 |
| HCL3-231 | 0.23 | 0.120 | 0.04 | 15 | 0.051 |
| HCL3-611 | 0.65 | 0.380 | 0.11 | 9.9 | 0.041 |
| HCL3-102 | 1.0 | 0.670 | 0.18 | 7.1 | 0.033 |
| HCL3-182 | 1.8 | 1.3 | 0.45 | 4.5 | 0.026 |
| HCL3-252 | 2.5 | 1.8 | 0.60 | 4.0 | 0.024 |
| HCL3-502 | 5.0 | 3.5 | 1.0 | 3.0 | 0.021 |
| HCL3-752 | 7.5 | 5.4 | 1.6 | 2.4 | 0.019 |
| HCL3-103 | 10.0 | 6.7 | 1.8 | 2.2 | 0.019 |
| HCL3-153 | 15.0 | 10.3 | 2.6 | 1.8 | 0.017 |
| HCL3-173 | 17.0 | 11.3 | 2.8 | 1.7 | 0.017 |
相關推薦:
Vanguard Electronics HCL1系列大電流功率電感器
如需了解更多關于Vanguard Electronics相關產品信息可咨詢立維創展。
推薦資訊
?DEI集成電路?DEI107xA系列是款8管腳雙極線路驅動器,可直接驅動ARINC429航空電子串行接口數字數據總線。這些ARINC429線路驅動器將TTL/CMOS串行接口輸入數據轉換為ARINC數據總線的“三電平RZ雙極差分調制形式”。
Broadcom?的PEX8648設備提供PCIExpress轉換性能,使用戶可以將可擴展性的高帶寬、非阻塞相互連接嵌入到各種應用系統,包括服務器存儲體系和通訊平臺。
在線留言