Vanguard Electronics HCL1系列大電流功率電感器
發布時間:2024-02-28 14:26:40 瀏覽:1864
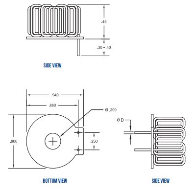
選型:
| Vanguard P/N | Inductance ±10% | nc.Inductance uH | DCR max Ohms) | Rated Current (ADC) | Lead Dimension “D” |
| HCL1-140 | 14 uH | 9.2 | 0.010 | 30 | 0.052 |
| HCL1-500 | 50 uH | 31 | 0.017 | 15 | 0.046 |
| HCL1-111 | 110 uH | 71 | 0.05 | 9.5 | 0.037 |
| HCL1-201 | 200 uH | 126 | 0.15 | 8.3 | 0.033 |
| HCL1-391 | 390 uH | 265 | 0.16 | 4.5 | 0.026 |
| HCL1-591 | 590 uH | 446 | 0.28 | 4.0 | 0.021 |
| HCL1-751 | 750 uH | 541 | 1.28 | 3.7 | 0.021 |
| HCL1-102 | 1.00 mH | 748 | 1.28 | 3.1 | 0.019 |
| HCL1-182 | 1.85 mH | 1346 | 0.83 | 2.4 | 0.017 |
| HCL1-222 | 2.20 mH | 1540 | 0.72 | 2.3 | 0.017 |
| HCL1-252 | 2.50 mH | 1873 | 1.72 | 2.0 | 0.015 |
特性:
?端子:錫鉛,無鉛(RoHS), HMP要求高溫版本
?防潮,防震,耐浸漬
?磁屏蔽
電氣規格:
?工作溫度:?55℃~ +180℃
?存儲溫度:?55℃~ +180℃
?溫升:參見性能曲線
?介電耐壓:500 VRMS
?可根據要求提供不同的電氣值
應用:
?直流電源扼流圈
?諧振電感
?輸入/輸出過濾器
?擺動電感

相關推薦:
如需了解更多關于Vanguard Electronics相關產品信息可咨詢立維創展。
推薦資訊
IR HiRel?是世界上第一家碳化硅(SiC)分立電源供應商。長期性的市場份額和經驗使IR HiRel能夠提供高度安全可靠和行業內領先的SiC性能指標。碳化硅和硅在原材料性能指標上的差異性限制了實際硅單極子二極管(肖特基二極管)的制造,其導通電阻和漏電流高達100v到150v。在SiC原材料中,肖特基二極管能夠獲取更高的擊穿電壓。IR HiRel的碳化硅(SiC)產品組合包含600V和650V至1200V肖特基二極管。
Q-Tech?公司為通信、無線電、雷達、導彈和航空電子等商業和高度可靠的軍事應用提供最先進的混合晶體振蕩器。Q-Tech提供完整的美國振蕩器和晶體制造能力。所有的Q-Tech產品在設計、質量、準時交貨和一流的客戶服務方面都達到了Q-Tech的最高標準。Q-Tech致力于為客戶提供領先的頻率控制解決方案。
在線留言