Quantum Microwave QMC-CRYOATTF-00BLK 是一款專為極低溫(10 mK)和非磁性環境設計的0 dB衰減器,采用晶態石英和金鍍銅外殼,支持DC-18 GHz寬頻段,回波損耗-23 dB,最大功率100 mW。其SMA母頭連接器可更換且可堆疊,經測試磁場低于0.1 Gs,適用于超導研究、量子計算、低溫射頻通信及精密測量,兼具低溫穩定性、高性能和無磁干擾優勢。
Focus Microwaves 的 W75500B 波導調諧器是一款高性能阻抗調諧設備,工作頻率為 50-75 GHz(WR-15 波導),提供極高的駐波比(典型 35:1,最小 10:1),支持 20W 連續波功率,并具備卓越的重復性(典型 -50 dB)。該調諧器尺寸緊湊(3.070 英寸長),專為高頻通信和晶圓測試等精密應用設計。自 1989 年起,Focus Microwaves 持續擴展其波導調諧器產品線,現已覆蓋 26-330 GHz 頻段,支持包括 WR-3、WR-5、WR-6、WR-10、WR-12、WR-15、WR-22 和 WR-28 在內的多種標準波導。
Luxium Solutions BC-720是一種快速中子探測器,采用硫化鋅熒光粉和含氫塑料制成,通過質子反沖探測中子,對伽馬射線不敏感。具有0.2微秒快衰減、450納米藍光發射,耐溫90°C,提供多種尺寸(直徑1.5-5英寸,厚15.9mm)。通過脈沖高度可區分中子和低強度伽馬射線,適合搭配高藍光靈敏度光電倍增管使用。
Sonoma Scientific 提供的2-6 GHz隔離器系列,如E2XB3和E2XB8等型號,具有優異的隔離度和低插入損耗,適用于多種射頻應用。這些隔離器支持廣泛的工作溫度范圍,采用不同的接口配置,如SMA和3.5-F,能夠處理不同級別的前向功率,尺寸也有所差異,以滿足不同設備的需求。
Renaissance 3SMH8BM是一款專為X波段雷達系統設計的軍用組件,適用于海軍戰艦的地平線/水面搜索、跟蹤及導彈通信。其核心優勢包括:適應惡劣海洋環境、嚴格的SWaP優化(尺寸0.350"×0.358"×0.191")、低損耗(0.5dB)、高功率處理(峰值25W)及寬溫穩定性(-40°C至+95°C),技術參數如頻率9-10GHz、駐波比1.35:1,滿足軍事雷達的高效可靠需求。
Kuhne MKU LNC 10 QO-100 是一款專為QO-100衛星通信優化的高性能低噪聲轉換器,支持10350-10500 MHz RF頻段和多種LO頻率(10056/9240/9936/10016 MHz),具備1.7 dB超低噪聲系數和55 dB增益。其采用±0.5 ppm高穩定TCXO晶振,兼容433-436MHz及1250-1260MHz等多中頻范圍,并配備防水鋁殼(82×64×22mm,230克)和遠程供電功能。工作電壓9-36V DC,適用于SSB/DATV通信,尤其適配DJ7GP雙頻饋源系統。
Norsat的MDKA040ANIG-DN是一款40W Ka雙頻段GaN功率放大器(BUC),專為衛星通信設計,支持29-31 GHz輸出及950-2000 MHz輸入,具備+46dBm線性功率和77dB增益。其核心優勢包括-74dBm/Hz超低噪聲密度、±2dB增益平坦度(36MHz帶寬)及IP65+防護等級,適應-40°C至+55°C極端環境,通過N型接口和M&C控制實現地面站/移動終端的寬帶通信,適用于軍事、政府及衛星互聯網等高可靠性場景,尺寸267×152×165mm,重5.8kg。
LNF-LNC45_77WA是一款45-77 GHz低溫低噪聲放大器(LNA),采用InP HEMT技術,具有13 K超低噪聲溫度和33 dB高增益,適用于毫米波通信、雷達及射電天文等高靈敏度系統。其核心參數包括0.19 dB噪聲系數、0.7V/13mA低功耗,支持4K至358K寬溫工作,采用WR15波導接口和9針Nano-D直流連接,封裝尺寸僅16.63×26.55×19.2mm,重量23克,但輸出P1dB和OIP3性能待定。
RFSL2859D是一款法蘭安裝式環形隔離器,工作頻率為3300-3800MHz,具有低插入損耗(<0.35dB)和高隔離度(>20dB),能承受1000W峰值/100W連續正向功率,采用鍍鎳鋼外殼和鍍銀鈹銅引腳,尺寸為19×19×8mm,適用于-40°C至+85°C環境下的射頻系統反射信號防護。
Sonoma Scientific C33X1 是一款高性能射頻微波鐵氧體隔離器環形器,工作頻率為33 GHz至37 GHz,具有21 dB的高隔離度、0.8 dB的低插入損耗和1.25的低駐波比(VSWR)。該器件支持30W功率,采用K-F接口,尺寸緊湊(0.5×0.63×0.5英寸),工作溫度范圍為-20°C至+65°C,適用于高頻微波系統的高效信號隔離與傳輸需求。
RF Circulator Isolator, Inc. 推出的 N 連接器線程隔離器是一款專為通信系統、無線基礎設施和雷達頻段設計的高性能射頻隔離器。它提供 20W、100W 和 200W 三種標準功率等級,配備 N 型母頭連接器,支持順時針和逆時針旋轉方向,具備低插入損耗、高隔離度、寬溫度范圍和高功率處理能力等特點。
Luxium Solutions的BC517系列礦物油基液體閃爍體(包括BC517S/H/L/P四種型號)專為大型容器設計,適用于對光傳輸距離要求高但光輸出需求較低的場景。該系列產品兼容亞克力塑料、金屬及多種反射材料,具有高閃點(53°C至115°C)確保使用安全,并通過特殊測試保證光傳輸均勻性,是替代高成本塑料閃爍體的理想選擇,其折射率(1.47-1.49)和比重(0.85-0.87)因型號而異,滿足不同探測器陣列需求。
Berkeley Nucleonics公司的845-M低噪聲微波合成器是一款高性能信號源,頻率覆蓋0.01 Hz至20 GHz,具有0.001 Hz分辨率、0.1 ppm精度和+23 dBm輸出功率,其卓越的相位噪聲性能(如1 GHz載波下1 kHz偏移處達-118 dBc/Hz)和快速切換能力(最快25 μs),配合豐富的調制/掃描功能及多接口控制,適用于ATE測試、衛星通信、嵌入式系統等精密場景,提供標準/快速切換/雙通道三種緊湊型硬件配置。
Renaissance 2SMH8NAH-2-ROHS 是一款微型表面貼裝 X 波段下變頻器,專為航空航天和軍事應用設計。其工作頻率為 8.5–9.6 GHz,具有低插入損耗(最大 0.5 dB)、高隔離度(20 dB)和優異駐波比(最大 1.25:1),支持 0.25W 功率。該器件采用緊湊設計(0.350”×0.457”×0.191”),適用于 -40°C 至 +85°C 嚴苛環境,并提供 S 參數和 DXF 模型,便于系統集成。
Quantum Microwave的低溫紅外濾波器產品專為量子計算、低溫物理和微波通信設計,能有效屏蔽紅外干擾。其核心型號包括:QMC-CRYOIRF-001MF(700MHz低頻防護)、002MF(高頻衰減)、003MF(高信噪比讀出應用)和004MF(高頻強衰減),均采用Eccosorb?磁吸收材料,支持SMA/SMP連接器,工作溫度覆蓋10mK至室溫,滿足不同場景的量子電路防護需求。
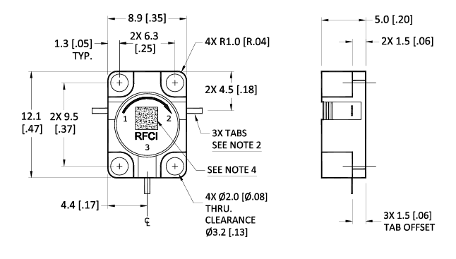
RFCR2911是RFCI公司生產的法蘭安裝嵌入式同軸環行器,工作頻率13.0-16.0 GHz,具有低插入損耗(典型<0.45 dB)和高隔離度(典型>20 dB),適用于衛星通信、雷達及基站等射頻系統。其耐功率達250W峰值/25W均值,工作溫度范圍-40至+85°C,采用緊湊設計(外徑12.1mm×高4.4mm),配備3引腳(間距2.0mm)和4個1.0mm安裝孔,滿足嚴苛環境下的高隔離信號傳輸需求。
Norsat的1108HDFF是一款高性能KU波段雙頻段PLL低噪聲下變頻器(LNB),專為衛星通信設計,具有超低噪聲系數(0.8dB典型值)和高增益(60dB典型值)。其雙頻段覆蓋10.70-12.75GHz,采用9.75GHz/10.60GHz本振,輸出950-2150MHz中頻,相位噪聲低至-95dBc@100kHz。支持+12V至+24V供電(最大350mA),配備WR-75波導輸入和F型/N型防水輸出,工作溫度-40°C至+60°C,尺寸128×60×42mm,重量400g,符合嚴苛環境要求。
C4080B 是 Focus Microwaves DELTA 系列的高頻晶圓測量機電調諧器,專為 8.0-40.0 GHz 高頻測試設計,具有低輪廓、輕量化(7磅)和小尺寸(13.925英寸)特點,支持直接探頭連接以減少插入損耗。其關鍵性能包括高駐波比(≥15:1)、20W 連續波功率、優異的重復性(典型-50dB),并采用革命性設計優化調諧范圍,適用于晶圓級負載牽引測試,助力射頻器件的精確阻抗調諧與性能評估。
Kuhne KU PA 040048-60 HY 是一款專為400-480MHz UHF頻段設計的MOSFET功率放大器,適用于模擬傳輸系統。其核心參數包括:輸入功率17dBm(最大20dBm),輸出功率達60W(P3dB 47.7dBm),增益≥34dB,諧波抑制≥55dB,效率≥30%(12-14V供電)。主要應用于無線通信及廣播系統的高功率信號放大場景。
Quantum Microwave QMC-CRYOTEE-0.0515SMA是一款專為低溫/室溫高頻信號傳輸設計的偏置T型接頭,采用無氧銅鍍金外殼,支持0.05-15GHz寬頻帶(插入損耗0.25dB@10GHz)、35VDC/100mA偏置電壓,具備優異回波損耗(-20dB@10GHz)和400kHz直流帶寬,適用于量子計算等極端環境下的射頻信號耦合需求。
在線留言