Sonoma Scientific C5ST2嵌入式環行器(5.8-8.4GHz)
發布時間:2025-11-10 09:10:23 瀏覽:32
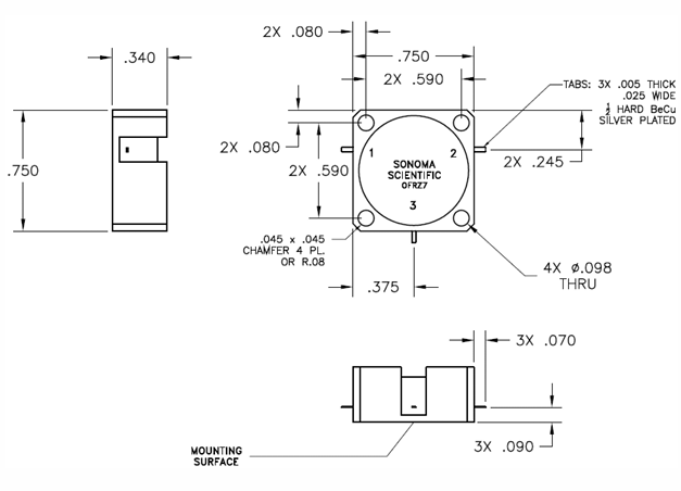
Sonoma ScientificC5ST2嵌入式環行器(5.8-8.4GHz)

電氣特性
頻率范圍:5.8 - 8.4 GHz(適用于無線通信、雷達等)
插入損耗:≤ 0.5 dB(信號損耗低)
隔離度:≥ 16 dB(端口間干擾小)
駐波比(VSWR):≤ 1.38:1(匹配良好)
功率處理:正向 50 W(平均),反向 30 W(平均)
工作溫度:-30°C 至 +85°C(寬溫適用)
旋轉方向:順時針
機械特性
尺寸:0.75" × 0.75" × 0.34"(英寸)
連接器:銅質 Tab 式
材質:鋼外殼(耐用)
表面處理:鍍鎳(防腐蝕)
適用場景:需要低損耗、高隔離度的射頻系統,如衛星通信、微波中繼等。
Sonoma Scientific是設計和制造射頻/微波鐵氧體隔離器和環行器的全球領導者,為醫療、軍事、公共安全、衛星和雷達應用領域的客戶提供服務。該公司提供從 40 MHz 到 50 GHz 的各種定制和現成解決方案。Sonoma Scientific以其高質量的微波組件而聞名,其射頻隔離器和環形器包括波導(Waveguide)、同軸(Coaxial)、混合(Hybrid)、插入式(Drop-Ins)和微帶線(Microstrip)等不同類型,深圳市立維創展科技有限公司,優勢代理銷售Sonoma產品,歡迎咨詢。
推薦資訊
JQL Electronics 提供多款高性能微波環行器和隔離器,其中 JCS9000T10K0 工作頻率為 9-10GHz(全帶寬),具有 5W平均功率、0.5dB插入損耗和20dB隔離度,適用于商業、航空航天及國防領域;另一款5-12GHz微帶環行器/隔離器參數為:隔離度16-20dB、插入損耗0.5-0.6dB、駐波比1.2-1.4,支持-30°C至+70°C工作溫度,封裝尺寸6-12mm,廣泛用于軍事雷達、航天通信、5G基站及測試設備。
RFCR2911是RFCI公司生產的法蘭安裝嵌入式同軸環行器,工作頻率13.0-16.0 GHz,具有低插入損耗(典型<0.45 dB)和高隔離度(典型>20 dB),適用于衛星通信、雷達及基站等射頻系統。其耐功率達250W峰值/25W均值,工作溫度范圍-40至+85°C,采用緊湊設計(外徑12.1mm×高4.4mm),配備3引腳(間距2.0mm)和4個1.0mm安裝孔,滿足嚴苛環境下的高隔離信號傳輸需求。
在線留言