Tillotson HW-24A賽車化油器
發布時間:2025-05-15 09:02:20 瀏覽:1499

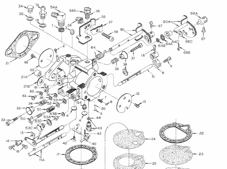
HW-24A化油器是Tillotson公司針對特定賽車應用設計的一款高性能化油器,以下是關于該產品的詳細介紹:
產品概述
合作背景:HW-24A化油器是與AHS Motorsports合作為Formula Vee賽事校準的。對于該賽事應用,需要搭配AHS One Shot系統,目前該系統可在AHS Motorsports處購買,Tillotson公司也即將推出。
適用范圍:雖然該化油器主要用于Formula Vee賽事,但也可以應用于其他二沖程和四沖程發動機。不過需要注意的是,四沖程應用可能需要額外增加脈沖孔。
產品特點
結構設計:具有蝶形閥開啟結構,采用復仇者級的文丘里管/主體設計、進氣針和座設計以及怠速/加速噴嘴設計,這些設計有助于優化燃油混合和發動機性能。
兼容性:能夠與Tillotson PrecisionJet和AHS AutoJet配合使用,為不同應用場景提供了更多的選擇和靈活性。
配套系統
One Shot系統:對于Formula Vee賽事以及類似需要在比賽中重新啟動發動機且化油器位置難以觸及的場景,必須使用One Shot系統。該系統一套售價為300英鎊(不含增值稅),一套可以支持最多2個化油器運行,如果需要擴展到4個化油器,額外的擴展套件售價為75英鎊。
控制器:為了在比賽中對化油器進行控制,可以添加Tillotson PrecisionJet或AHS Autojet控制器,每個化油器需要配備一個控制器。
進氣歧管:還需要一個能夠將發動機與HW-24A化油器的螺栓模式相匹配的進氣歧管,進氣歧管的進氣長度對于某些發動機來說也是至關重要的。進氣歧管可從AHS Motorsports的Alan Harding處購買。
調整設置
化油器調整:Formula Vee發動機因制造商、制造日期和調校方式不同而有所差異。雖然HW-24A化油器有出廠設置,但在實際使用中通常需要進行一些調整。調整時應先調整高針,再調整低針,每次調整以1分鐘的增量進行。在正常條件下,通常不需要調整超過10分鐘,但在極端條件下,如炎熱或雨天,可能需要進行額外的調整。
出廠設置:低針(L)=0圈30分鐘(0′30″);高針(H)=2圈0分鐘(2′0″)。
燃油壓力:初始設置為3psi,如有必要可進行調整。
適用場景
Formula Vee賽事:這是該化油器的主要應用領域,其設計和性能特點使其能夠滿足該賽事對發動機性能和燃油供應的嚴格要求。
其他二沖程和四沖程發動機:除了Formula Vee賽事,該化油器還可以應用于其他類型的發動機,但可能需要根據具體情況進行一些調整和適配,以確保其性能達到最佳狀態。
Tillotson公司是一家專注于性能創新的企業,以生產化油器、發動機和卡丁車聞名。 其產品線涵蓋化油器、發動機、卡丁車及發動機零部件等,廣泛應用于賽車、休閑車輛和農業機械等領域。深圳市立維創展科技有限公司,為中國授權代理銷售企業,為客戶提供支持與服務。
推薦資訊
Tillotson的HR系列化油器提供了廣泛的型號選擇,從HR-1A到HRM-6A,涵蓋了多種尺寸和流量需求。這些化油器適用于各種小型發動機和機械設備,如摩托車、船用發動機、發電機組等。每個型號都可能具有特定的設計和功能,以適應不同的應用場景和工作條件。選擇合適的化油器型號對于確保發動機性能和燃油效率至關重要。
Saito?四沖程發動機FG-19R3專為比例和運動型車輛設計。除了四沖程汽油發動機的優點外,它還是一款適合那些喜歡運行清潔高效發動機的發動機。憑借Saito強大的動力、精湛的做工、出色的外觀和悅耳的聲音,這是很多人一直期待的發動機。
在線留言