TOREX XC6365/XC6366系列多功能降壓DC/DC控制器
發布時間:2025-01-21 08:48:10 瀏覽:1041
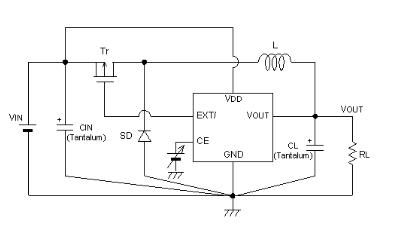
Torex XC6365/XC6366系列是多功能降壓DC/DC控制器,具有1A輸出電流能力,通過使用外部連接的晶體管、線圈、二極管和電容器實現。輸出電壓可在1.5V至6.0V(Vout)之間以0.1V的增量進行編程(±2.5%精度)。此外,內部1.0V的標準電壓供應和使用外部連接的組件,可以自由設置輸出電壓(FB)。通過300kHz的開關頻率,可以減小外部組件的尺寸。
XC6366(PWM/PFM可切換)在輕負載時從PWM切換到PFM,該系列從輕負載到大輸出電流都具有高效率。XC6365/XC6366A、B系列的軟啟動時間內部設置為10ms,XC6365/66C、D系列通過外部連接電阻和電容器來調節軟啟動時間。
在待機時間(CE引腳“低”),電流消耗減少到小于0.5μA。內部UVLO(欠壓鎖定)功能會在電壓低于規定值時強制關閉外部晶體管。

應用領域
電子書閱讀器/電子詞典
智能手機/移動電話
筆記本電腦/平板電腦
數字音頻設備
多功能電源
產品特點
輸入電壓范圍:2.2V至10V(Vout類型)
輸出電壓范圍:1.5V至6.0V(0.1V增量)(±2.5%)
振蕩頻率:300kHz(±15%)
輸出電流:超過1.0A(Vin=5.0V,Vout=3.0V)
高效率:92%(典型值)
待機能力:Istb=0.5μA(最大值)
選擇:外部軟啟動設置
輸出電壓設置:內部(Vout)和外部(FB)
PWM/PFM控制(XC6366)
最大占空比:100%
封裝:SOT-25,USP-6C
環保:符合歐盟RoHS標準,無鉛
Torex特瑞仕XCL系列PoL非隔離電源模塊可用Cyntec電源模塊進行替代,具體替代方案可咨詢立維創展。
推薦資訊
美國電源設計公司(American Power Design, Inc.)專注于高壓直流/直流轉換器的研發與制造,其產品以高性能、高可靠性和寬輸入輸出電壓范圍著稱,廣泛應用于工業設備(如高電壓驅動和自動化系統)、科研儀器(實驗室和高精度設備)、醫療設備(如成像系統)以及航空航天領域,為各類高電壓需求場景提供穩定可靠的電源解決方案。
SDS HIGH VOLTAGE推出的μPRV系列是一款小型、高效的高壓直流/直流轉換器,專為高輸出電壓應用設計,適用于-40°C至+85°C的寬溫度范圍,無需額外散熱器。其特點包括輸出電壓與輸入電壓成比例、小巧的表面貼裝設計、高隔離電壓、優異的溫度和負載穩定性、低紋波輸出及高效率運行。型號包括μPRV24-200、μPRV28-100和μPRV24-250,廣泛應用于工業控制、醫療設備等領域,是高壓電源轉換的理想選擇。
在線留言