Kulite XST-190(M)壓力傳感器
發布時間:2024-09-09 10:02:21 瀏覽:1316
Kulite XST-190(M) 系列壓力傳感器是一款專為高過壓環境設計的高性能傳感器。它具備防損壞設計,能夠在承受高過壓的同時保持其完整性。

主要特點:
高過壓能力:能夠在高過壓環境下工作,避免損壞。
防損壞設計:設計堅固,能夠承受極端條件。
易于安裝:提供多種螺紋選項,便于安裝。
高自然頻率:具有從150 KHz到550 KHz的高自然頻率,適用于高速動態測量。
硅對硅集成傳感器VIS?技術:采用先進的硅對硅集成技術,提供高精度和穩定性。
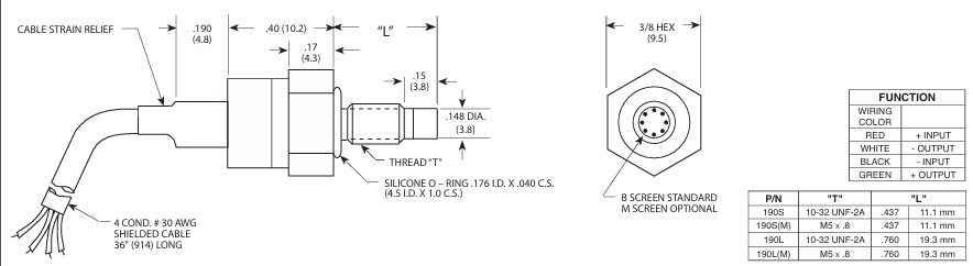
尺寸和連接:

參數信息:

感應原理
完全主動臂惠斯通橋:采用惠斯通橋電路,提供高精度和穩定性。
電介質隔離的硅對硅結構:提供高可靠性和長壽命。
備注
- 提供不同的壓力量程、精度和機械配置選項。
- 連續開發和改進,保留規格變更權利。
Kulite XST-190(M) 壓力傳感器廣泛應用于需要高度可靠性和精準度的工業環境中,如航空航天、汽車測試、液壓系統等領域。其高過壓能力和防損壞設計使其成為極端條件下的理想選擇。
Kulite是一家成立于1959年的美國傳感器技術公司,專注于為航空航天、石油化工、汽車制造和軍事裝備等行業提供高質量的傳感器解決方案。其產品線包括壓力、加速度、溫度和流量傳感器,設計用于極端環境,確保高精度和可靠性。深圳市立維創展科技有限公司是Kulite產品的授權代理商,提供咨詢和銷售服務。
推薦資訊
FAP-250流角探頭微型壓力傳感器是Kulite公司專為航空推進測量和復雜流動結構監測設計的先進設備。采用SOI無引線技術,提供高可靠性和穩定性,減少干擾和故障。其尖端設計確保快速準確響應,適用于空氣動力學測量,如渦輪機械流量變形擴散器/混合器。FAP-250能同時測量兩個流角、總壓力、靜壓、馬赫數和流速,具有高頻高精度性能,專為航空領域設計,采用專利無引線技術VIS?,體積小巧但設計堅固,適應惡劣環境。
Safran? Sensing Technologies工業加速度計測試和檢測技術應用遍及各行各業——車輛、鐵路交通、國防科技和航空航天。根據技術應用開發人員將利用各種類型的傳感器:根據壓電式或MEMS技術的能力和重量傳感器、傳感器、扭矩、壓力或震動傳感器、傾斜計或加速度計。
在線留言