204系列層壓晶圓DIP插座ANDON
發布時間:2024-06-21 09:43:44 瀏覽:1428
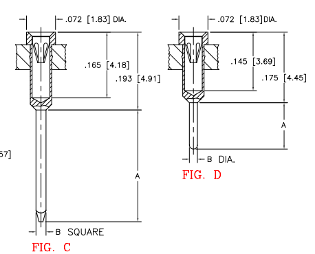
204系列層壓晶圓DIP插座由ANDON公司生產,它采用FR-4環氧樹脂(層壓板)作為絕緣材料,并獲得了UL 94V-0的認證。這款插座適用于DIP間距的元件,提供了多種引腳(PIN)數量和接觸材料選擇,包括鍍金/鍍金的黃銅(ASTM-B16)和鍍錫鉛/鍍金的鈹銅(ASTM-B194)。其工作溫度范圍為-65°C至+140°C。


插座的標準插入力為平均9盎司(oZ.),標準撤出力為至少2盎司(oZ.)。此外,還提供了其他類型的插入力和撤出力選項,以滿足不同的應用需求。
在訂購信息方面,產品代碼為204-XXX-XXX-PXX-N10,其中XXX-XXX代表特定的引腳數量和其他選項,PXX代表引腳鍍層,N10代表無索引版本。

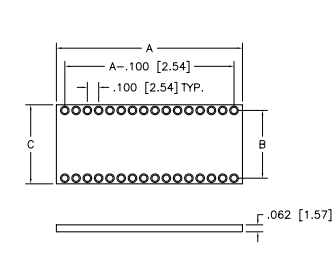
該系列插座的尺寸和規格以英寸和毫米為單位進行了詳細說明,包括PIN的直徑(DIM "A")、PIN之間的間距(DIM "B")以及整體尺寸等。
| SERIES 402 WAFER CHART | ||||
| PIN | DIM“A” | DIM "B" | DIM“C” | |
| 6 | .300[7.62 | .300 [7.62] | 400 [10.16] | 306 |
| 8 | .400[10.16 | 308 | ||
| 10 | 500 [12.70] | 310 | ||
| 14 | 700 [17.78] | 314 | ||
| 16 | 800 [20.32] | 316 | ||
| 18 | 900 [22.86] | 318 | ||
| 20 | 1.000 [25.40] | 320 | ||
| 22 | 1.100 [27.94 | 322 | ||
| 24 | 1.200[30.48] | 324 | ||
| 28 | 1.400 [35.56] | 328 | ||
| 24 | 1.200 [30.48 | .600 [15.24] | .700 [17.78] | 624 |
| 28 | 1.400 [35.56] | 628 | ||
| 30 | 1.500[38.10] | 630 | ||
| 32 | 1.600 [40.64] | 632 | ||
| 36 | 1.800 [45.72] | 636 | ||
| 40 | 2.000 [50.80] | 640 | ||
| 42 | 2.100 [53.34] | 642 | ||
| 48 | 2.400 [60.96] | 648 | ||
| 24 | 1.200[30.48 | 900 [22.86] | 1.000 [25.40] | 924 |
| 28 | 1.400[35.56 | .000 [25.40] | 928 | |
| 32 | 1.650 [41.91] | 1.050 [26.67] | 932 | |
| 50 | 2.500[63.05] | .000 [25.40] | 950 | |
| 52 | 2.600[66.04] | 1.000 [25.40] | 952 | |
| 64 | 3.250 [82.55] | 1.050 [26.67] | 964 | |
推薦資訊
ANDON?的BGA插座和適配器為在PCB上安裝球柵陣列器件提供了理想的方法。該裝置焊接在適配器上,大大簡化了焊料的驗證和測試。然后將設備適配器組件插入BGA插座,BGA插座永久焊接到PCB上。BGA適配器配有平頭或沉頭。ANDON BGA插座可安裝在表面或通孔上。插座絕緣子由FR-4制成,可承受對流或紅外線焊接。幾乎所有尺寸或配置的ANDON BGA插座和適配器都可以使用現成的或定制的螺絲端子。
DYNAMAX IMAGING線陣掃描圖畫傳感器具備超高速全幀快門,Non-Destructive輸入輸出,自適應性曝光度,大瞬態響應規模化,高靈敏,anti-blooming性能的傳感器DYNAMAX IMAGING線陣掃描圖畫傳感器具備很多和LIS-1024一致高性能特性但增強了全幀電子快門方式和可以選擇分辨率輸入輸出。
在線留言