XCM526AC95DR-G降壓DC-DC轉換器TOREX
發布時間:2024-06-19 09:08:45 瀏覽:2306
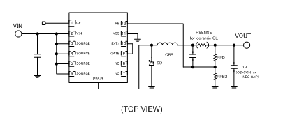
XCM526AC95DR-G是Torex公司生產的一款高效降壓DC-DC轉換器。這款轉換器集成了一個通用的降壓DC/DC轉換器IC和一個P-溝道功率MOSFET,形成了一個多重實裝IC。內置的P-溝道功率MOSFET具有低導通電阻和高速開關特性,與降壓DC/DC控制器配合使用,能夠提供高達3A的輸出電流,實現高效率和穩定的電源輸出。

該轉換器支持使用低ESR鉭電容(如OS-CON Neo電容等)作為負載電容,如果使用陶瓷電容,則需要插入RSENSE。它還內置了一個0.9V的基準電壓源,允許用戶通過外部電阻來設定輸出電壓。
XCM526AC95DR-G提供了三種開關頻率選擇:300kHz、500kHz和1MHz,用戶可以根據需要選擇最適合的頻率,以實現高效率或外置元件的小型化。工作模式方面,可以選擇頻率固定的PWM控制(XCM526A),或者在輕負載時工作于PFM控制,并在輕負載到重負載范圍內實現高效率的PWM/PFM自動轉換控制(XCM526B)。
軟啟動時間可以選擇由內部設定為4ms,或者通過外部設定來延長。此外,該轉換器還內置了UVLO(欠壓鎖定)功能,當輸入電壓低于2.3V(典型值)時,會強制停止內部P溝道驅動晶體管的工作,以保護電路。
XCM526AC95DR-G的電源電壓范圍為4.0V至16.0V,輸出電壓范圍為1.2V至0.9V±1.5%,最大輸出電流為3.0A。它支持500kHz和1MHz的工作頻率,并提供PWM控制或PWM/PFM自動切換控制方式。該轉換器還具備短路保護電路,導通阻抗分別為70mΩ(VGS=-4.5V)和47mΩ(VGS=-10.0V)。
該產品符合環保要求,與EU RoHS規格對應,采用無鉛工藝。XCM526AC95DR-G適用于多種應用,包括液晶電視、數碼相機/攝像機、便攜式游戲機和便攜式設備等。
| 型號 | Control Methods | Type | Output Voltage | Oscillation Frequency | Packages |
| XCM526AC95DR-G | PWM | Soft-start internally fixed | 0.9V | 500kHz | USP-12B01 |
| XCM526AC9ADR-G | PWM | Soft-start internally fixed | 0.9V | 1.0MHz | USP-12B01 |
| XCM526AD95DR-G | PWM | Soft-start externally set | 0.9V | 500kHz | USP-12B01 |
| XCM526AD9ADR-G | PWM | Soft-start externally set | 0.9V | 1.0MHz | USP-12B01 |
| XCM526BC95DR-G | PWM/PFM automatic switching | Soft-start internally fixed | 0.9V | 500kHz | USP-12B01 |
| XCM526BC9ADR-G | PWM/PFM automatic switching | Soft-start internally fixed | 0.9V | 1.0MHz | USP-12B01 |
| XCM526BD95DR-G | PWM/PFM automatic switching | Soft-start externally set | 0.9V | 500kHz | USP-12B01 |
| XCM526BD9ADR-G | PWM/PFM automatic switching | Soft-start externally set | 0.9V | 1.0MHz | USP-12B01 |
推薦資訊
Vishay 593D系列是高性能SMD固態鉭電容,提供0.47μF~680μF容值范圍和4~50V耐壓,采用模壓封裝(3216至7343尺寸),具備低ESR(最大6~8Ω)、高溫穩定性(-55°C~+125°C)及優異紋波處理能力,廣泛應用于DC-DC轉換、工業控制、通信基站及汽車電子(如ADAS)等場景,其TANTAMOUNT?技術確保在嚴苛環境下可靠工作。
Infineon英飛凌?光伏繼電器 (PVR) 是遠程控制開關(開/關),具有從輸入到輸出的完全電流隔離。輸出端無需電源。
在線留言