為什么選擇POL非隔離電源模塊?
發布時間:2023-11-24 08:36:45 瀏覽:2549
POL(Point of Load)非隔離DC-DC電源模塊,即靠近CPU、MCU、FPGA、DSP、ASIC配置的電源轉換器件,近年來隨著這些大規模集成性能的提高,要求供電的電壓越來越低,并增大電流,而降低電壓后,電壓精度隨著負載變化而需要高速響應,而POL電源模塊以其高速響應的能力,被廣泛應用于高精度的電源供電場景。

同時,在實際的EMI環境中,由于DC-DC電源器件的在工作過程中,由于動作頻率會產生干擾噪音,而POL電源模塊將DC-DC電源器件的晶圓內埋于模塊底部,完美地屏蔽了EMI干擾,又為硬件工程師減少了很多工作量。

POL電源模塊,也會減少濾波器器件,同時支持主控IC頻繁高效率控制,同時大幅減少占板空間,正逐漸進入更多的硬件PCB的設計中。
目前市場上,主流的POL產品品牌如: TI、Cyntec、Murata等,應用的場景如AI加速卡、光通信、FPGA板卡等。
推薦資訊
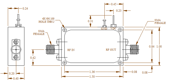
PMTA-0218-17-2低噪聲放大器是Princeton Microwave專為2 GHz至18 GHz頻率范圍設計的高性能射頻放大器。其特點包括:頻率范圍2 GHz至18 GHz,最小17 dB的小信號增益,±1.25 dB的增益平坦度,2 dB的噪聲系數,-10 dB的輸入/輸出回波損耗,最小18 dB的輸出,12 V的直流工作電壓,100 mA的直流工作電流,SMA連接器,5 dBm的射頻輸入功率,-40℃至85℃的工作溫度,-55℃至150℃的儲存溫度。
PMTA-1315-ALC是Princeton Microwave公司的自動液位控制放大器,工作在13.75-14.5 GHz頻率范圍,輸出功率恒定(8 +/- 0.5 dBm),適合多種通信和微波應用。特點包括低噪聲系數、高OIP3、20 dBm恒增益,適用于-40至+55攝氏度環境溫度。采用MMIC和分立器件,單電源供電,穩定性好。
在線留言