Statek ULPXO 振蕩器專為惡劣環境中需超低功耗且能在高沖擊水平下生存的應用設計,由高沖擊調諧叉石英諧振器和 CMOS 兼容集成電路組成,密封于高沖擊陶瓷封裝。其主要特點有 5.0 x 1.8 mm 密封陶瓷封裝、超低電流消耗、高沖擊抗性達 30,000 g 等,且提供全面軍事測試,在美國設計、制造和測試。應用于醫療(患者監測設備)、國防與航空航天(堅固實時時鐘)、工業(時間保持模塊)及物聯網等領域。
Vishay 134D、134J、134L 濕式鉭 HI - TMP? 電容器是專為高沖擊和振動性能設計的高性能產品,采用鉭外殼和玻璃到鉭的密封技術,可在 - 55°C 至 + 200°C 極端溫度下穩定工作,具有高電容值、低漏電流和長壽命特點。其特點包括提供多種電容值、密封設計保障惡劣環境可靠性、寬溫度范圍、多種引腳類型(134D 軸向通孔引腳、134J 和 134L 為不同類型 SMD 引腳)、符合 RoHS 標準且有 100% 錫端子選項。性能特性涵蓋工作溫度、電容容差、直流漏電流及壽命測試等方面。適用于工業、石油勘探及高溫/高應力環境等領域,還提供了訂購指南。
QTCH系列晶體振蕩器支持1MHz至48MHz基本模式頻率,能在1.8Vdc至5.0Vdc寬電壓范圍工作,功耗低于3mA,工作溫度范圍為 -55oC至 +200oC。該產品適用于鉆井和數據記錄工具、石油服務行業等高溫環境下的電子設備。
Connor-Winfield的6引腳表面貼裝VCXO提供VSM61**#、VSM62**#和VSM64**#三種型號,頻率范圍均為2MHz至100MHz,頻率穩定性分別為±25ppm、±50ppm和±20ppm。
本文介紹了Rogers公司高頻電路材料中銅箔的類型、表面粗糙度及其對性能的影響。Rogers提供多種銅箔,包括電沉積銅箔、軋制銅箔、電阻銅箔和反轉處理銅箔,以滿足不同應用場景需求。銅箔表面粗糙度越高,導體損耗越大,影響信號傳輸效率。Rogers通過優化工藝降低粗糙度,提高高頻電路性能。其高頻材料廣泛應用于航空航天、通信等領域,為現代高頻電子技術發展提供支持。
Ampleon CLF24H4LS300P是一款300W的GaN-SiC HEMT功率晶體管,專為2400 MHz至2500 MHz頻率范圍內的烹飪、工業、科學和醫療應用設計。它具有高效率、優秀的堅固性和寬帶操作能力,內部輸入匹配,無需外部匹配網絡,且符合RoHS合規性。在VDS = 50V,VGS = -5V,環境溫度25°C的類AB/類C應用電路中,該晶體管在連續波(CW)條件下輸出功率為320W,增益為14dB,效率為74%;在CW脈沖條件下輸出功率為350W,增益為14dB,效率為75%。它采用SOT1214B無耳法蘭陶瓷封裝,具有良好的熱特性和電氣特性,適用于RF功率放大器。
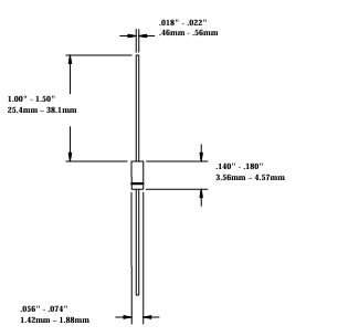
Microsemi 1N5195是符合MIL-PRF-19500/118標準的軍用級開關二極管,認證等級有JAN、JANTX、JANTXV 。其最大額定值(@25°C)包括工作和存儲溫度均為 -65°C至 +175°C,浪涌電流(正弦波,8.3毫秒)2A,總功率耗散500mW,最大工作電流200mA,直流反向工作電壓180V。設計數據方面,采用符合MIL-PRF19500/118 DO-35輪廓的密封玻璃封裝,引線材料為銅包鋼,表面處理是錫/鉛,熱阻抗最大70°C/W,極性為帶環的陰極端。
Princeton Microwave PmTA-620-40-2.5低噪聲放大器頻率6 - 20 GHz,小信號增益≥40 dB,中頻段噪聲系數2.5 dB,50Ohm輸入輸出匹配,有內部調節和偏置排序,無條件穩定,密封模塊,工作溫度 -50°C至100°C。
RO4000? 系列高頻電路材料是玻璃增強型碳氫化合物和陶瓷(非PTFE)層壓板,專為性能敏感、高容量商業應用設計,能提供卓越高頻性能與低成本電路制造,可用標準FR-4工藝制造。其中RO4003C?等部分層壓板可與Ticer TCR薄膜電阻箔包覆,有特定箔厚與電阻值,1oz厚銅箔可特殊訂購。
Statek CXOXULPHT 32.768 kHz振蕩器實現低功耗運行,采用調諧叉設計,具備最快啟動時間與緊湊頻率穩定性,專為超低電流(典型55 μA)和快速啟動(典型2 ms)應用打造,能在高達 +200°C高溫運行且抗沖擊性強。其主要特點有高溫操作、超低電流、快速啟動、高沖擊抗性、低老化、CMOS輸出等多項優勢,產品設計制造于美國且提供全面軍事測試。該振蕩器適用于工業領域多種設備,規格參數涵蓋頻率、電源電壓、校準容差、頻率穩定性、輸出負載、老化、沖擊、振動及工作溫度范圍等多方面指標 。
Linear Integrated Systems(LIS)推出的LS840、LS841、LS842是低噪聲、低漂移、低電容的單片雙N溝道JFET放大器,專為高性能模擬信號處理設計。其關鍵特性包括超低噪聲、超低漏電流、低溫度漂移、低偏移電壓、寬溫度工作范圍、高可靠性;電氣性能方面,有特定的最大電壓和電流承受能力、最大功耗,具備高跨導、高共模抑制比、低噪聲系數;提供TO-71、TO-78、P-DIP、SOIC等多種封裝選項;適用于音頻放大、精密測量設備、傳感器信號調理等高精度高可靠性應用。
Vishay 109D系列濕式鉭電容器是面向工業、汽車和電信應用設計的高性能電容器,采用燒結陽極TANTALEX?技術,有軸向通孔引腳,提供標準錫/鉛(SnPb)和100%錫(符合RoHS標準)兩種端子選項,能在 -55°C至 +125°C寬溫度范圍穩定工作,還給出了應用領域及訂購指南 。
Microsemi公司生產的軍用級別標準恢復整流二極管JANTX1N5552,屬JEDEC注冊的1N5550至1N5554系列,適用于高可靠性應用場合。其性能參數涵蓋結點和存儲溫度、熱阻等多項指標。主要特點有密封玻璃封裝、四層鈍化技術、內部冶金鍵合,符合軍用標準且有RoHS合規商業級版本,是標準恢復5A整流器,具備高前向浪涌電流能力等多種優勢。應用領域廣泛,包括軍事、航空等需要高可靠性整流方案及一般整流器應用場景。封裝類型有通孔封裝和表面貼裝封裝 。
L1807調諧器采用Focus Microwaves專利技術M(Multi-purpose tuners),用兩個寬頻帶探頭可同時獨立控制兩個諧波頻率反射系數的幅度和相位,廣泛應用于高功率/效率射頻放大器設計等高級應用,能控制諧波阻抗生成穩健晶體管行為模型、幫助了解設備表現,還可預匹配阻抗、降低驅動負載功率;其頻率范圍0.7 - 18GHz,連接器為N型、APC-7,有相應高電壓駐波比、諧波調優駐波比等參數,最大功率427W,重復性最小-40dB/典型-50dB,重57lbs,尺寸29.081*27.400,另有性能圖表。
Q-TECH生產的QTCV576系列是低輪廓的5 x 7mm微型SMD VCXOs,頻率范圍1.000MHz - 156.250MHz,采用陶瓷封裝、鍍金接觸墊,支持多種邏輯類型,供電電壓有3.3Vdc和5.0Vdc,工作溫度-40oC至+85oC,有三態輸出,提供基本模式和第三泛音設計,可進行軍事篩選測試且環保合規;應用于低電壓設備、軍用彈藥系統、儀器設備、網絡同步及微處理器時鐘等領域,還有訂購信息。
DELTA HCME1211F電感器
Microsemi 1N4148UB是符合MIL-PRF-19500/116標準的軍用級開關/信號二極管,采用陶瓷體結構、表面貼裝UB封裝,具有低電容、開關速度快等特性,提供多種極性且有JAN、JANTX和JANTXV級別認證并符合RoHS標準;適用于高頻數據線、RS-232和RS-422接口網絡等多種應用;有明確的最大額定值(如結點和存儲溫度-65至+200°C等)和電氣特性(如正向電壓、反向恢復時間等);機械方面外殼為陶瓷,端子為鎳底層上的金鍍層,重量小于0.04克。
Connor-Winfield PBxxx系列是5.0x7.0mm表面貼裝、LVPECL輸出邏輯、固定頻率晶體控制振蕩器(XO),3.3V供電,有使能/禁用功能,適用于需緊密頻率穩定性、寬溫范圍和低抖動應用;輸出頻率122.88 - 170 MHz,不同型號總頻率容差、操作溫度范圍有別,頻率與供電電壓關系為±0.5 ppm,供電電流40 - 50 mA,抖動、啟動時間有具體指標,絕對最大額定值涉及存儲溫度等;具備多種特性,如3.3Vdc操作、低抖動等,且符合RoHS合規/無鉛,可用于以太網參考時鐘、高速數據轉換等,還有訂購指南。
Renesas S7G2微控制器組是高性能微控制器,核心性能強,搭載240 MHz的Arm Cortex-M4核心等;內存豐富,有多種類型及相關功能;連接性佳,配備多種接口;模擬功能、定時器多樣;支持多種加密算法保障安全;具備系統和電源管理功能;有人機界面相關功能;多時鐘源;通用I/O端口多達172個;工作電壓2.7至3.6 V,工作溫度范圍為 -40°C至+85°C或 -40°C至+105°C,有多種封裝選項,適用于高性能、計算密集型、網絡控制等多種應用 。
ARIZONA Capacitors W90系列額定電壓范圍為3kVDC至150kVDC,電容值最高可達2.000 μF,標準容差±10%;工作溫度范圍(G10外殼材料)按不同降額情況有所不同,全額定溫度時為 -55°C至60°C,30%降額時為 -55°C至85°C,50%降額時為 -55°C至105°C,75%降額時為 -55°C至125°C;絕緣電阻在25 - 50kΩ,1,000Hz下損耗因子小于0.6%,經過130%額定電壓1分鐘測試,生產流程符合ISO 9001:2015認證,符合MIL-STD-202測試標準,可按需符合ROHS標準。
在線留言